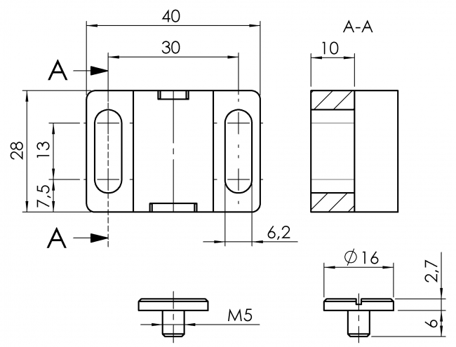
Magnetschließer
Material:
PA
Mindestbestellmenge:
10 Stück
Farbe:
schwarz
Beschreibung:
Magnetischer Schnellverschluss für Klappen und Türen mit Langloch für unterschiedliche Türstärken, ohne Befestigungsschrauben
Extras
Der Magnet hat zwei Magnetstärken
| Nut | Gewicht (g) | Artikelnummer | ||
|---|---|---|---|---|
| Universal | 34,20 | 2220 K 0002 SW |