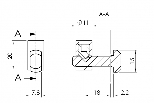
Schnellspannverbinder Nut 8 außen
Material:
Stahl, verzinkt
Mindestbestellmenge:
50 Stück
Farbe:
galv. verzinkt
Beschreibung:
Zur Verbindung von zwei Aluminiumprofilen. Zur Montage muss ein Loch in eines der beiden Profile gebohrt werden.
| Nut | Gewicht (g) | Artikelnummer | ||
|---|---|---|---|---|
| 8 | 20,7 | 4508 S 0801 VZ 01 |