Eckwinkel gezogen 2N, schwer
Material:
Aluminium
Mindestbestellmenge:
10 Stück
Farbe:
eloxiert
Beschreibung:
Eckwinkel gezogen 2N, schwer
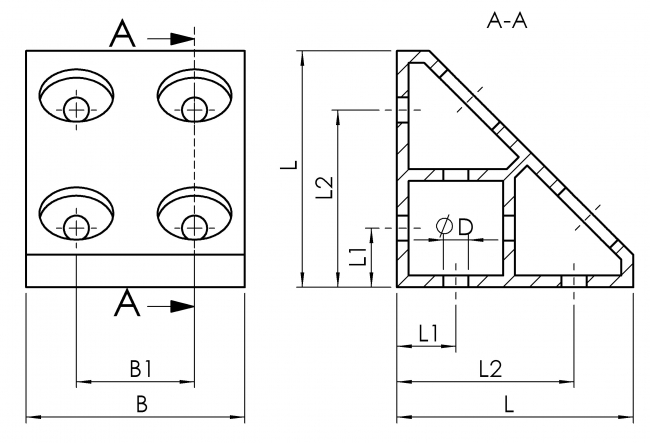
| L (mm) | B (mm) | B1 (mm) | L1 (mm) | L2 (mm) | D (mm) | Gewicht (g) | Artikelnummer |
|---|---|---|---|---|---|---|---|
| 80 | 74 | 40 | 20,0 | 60,0 | 8,5 | 235,5 | 4020 A 7480 EL 01 |
| 90 | 84 | 45 | 22,5 | 67,5 | 8,5 | 441,1 | 4020 A 8490 EL 01 |