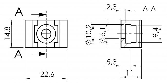
Kabelblock 1-Weg
Material:
                PA 6
                          Mindestbestellmenge:
                10 Stück
                          Farbe:
                schwarz
                          Beschreibung:
            
           
          Zur Installation von Elektro- und Pneumatikleitungen mittels Kabelbinder,
frei drehbar, Kabelverlegung in jede Richtung möglich
Extras
              Befestigungsschrauben und Kabelbinder sind nicht im Lieferumfang enthalten
          | Nut | Gewicht (g) | Artikelnummer | ||
|---|---|---|---|---|
| Universal | 1,75 | 6331 K 0001 SW 01 | 
 
         
         
        