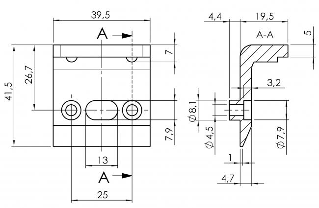
Türanschlag
Material:
PA
Mindestbestellmenge:
10 Stück
Farbe:
schwarz
Beschreibung:
Anschlag, zur Begrenzung des Schwenkbereichs von Türen und Klappen usw.
| Nut | Gewicht (g) | Artikelnummer | ||
|---|---|---|---|---|
| 8 | 10 | 2290 K 0801 SW 01 |