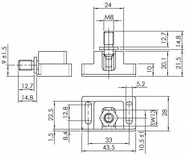
Schließer Kugelkopf
Material:
Verschluss: Kunststoff; Bolzen mit Kugelkopf: Stahl
Mindestbestellmenge:
10 Stück
Farbe:
Verschluss: schwarz, Bolzen: galv. verzinkt
Beschreibung:
Zweiteiliger Verschluss, Einsatz zum Verschließen von Schiebetüren und Klappen. Von zwei Seiten anschraubbar.
| Nut | Gewicht (g) | Artikelnummer | ||
|---|---|---|---|---|
| Universal | 25,00 | 2240 K 0001 SW |