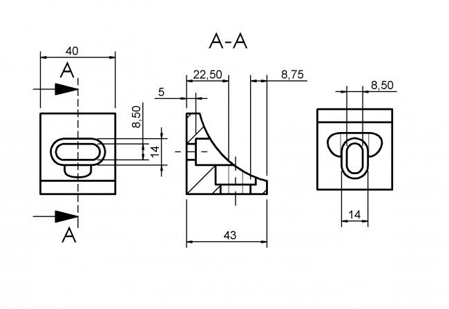
Eckwinkel 43x43x40 Langloch
Material:
Aluminium
Mindestbestellmenge:
10 Stück
Farbe:
eloxiert
Beschreibung:
Eckwinkel mit Langlöchern - ermöglichen flexiblere Montage
Extras
Einzeln in Luftpolsterfolie verpackt.
| Nut | Gewicht (g) | Artikelnummer | ||
|---|---|---|---|---|
| 10 | 73 | 4020 A 4340 EL 02 |